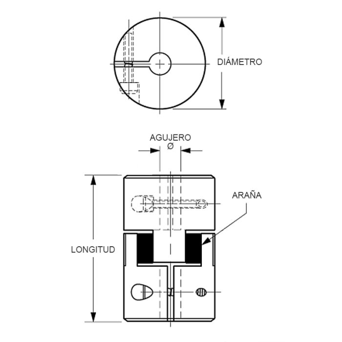
El diseño balanceado del ensamblaje de tres piezas consiste en dos cubos de aluminio y una pieza central de poliuretano llamada “estrella o araña”. Por la construcción ligera el acoplamiento tiene inercia baja lo cual permita el uso en aplicaciones a grandes velocidades. Gran variedad de combinaciones de cubos métricos o imperial, con fijación tipo abrazadera o con tornillo prisionero y la opción de agujeros con chavetero permitan ensamblar fácilmente un acoplamiento personalizado. Las arañas o estrellas se ofrecen en tres durezas diferentes para ajustar el efecto de amortiguación a la necesidad de la aplicación particular. Estrella azul (de 85 Shore A) para máxima amortiguación, amarilla (de 92 Shore A) para un equilibrio entre amortiguación y rigidez torsional y estrella roja (de 98 Shore A) para transmisión de par más alta.
Descripción








